欧美日本高清视频在线dvd,八戒八戒影视免费观看,亚洲成在人网站天堂77女一,18禁无遮挡全彩自慰漫画,美白少妇客厅女上位在线播放,2021影音先锋最新资源网,HEYZO里中结衣女友达,8090电影网理论片

  • 服務熱線:021-80370923

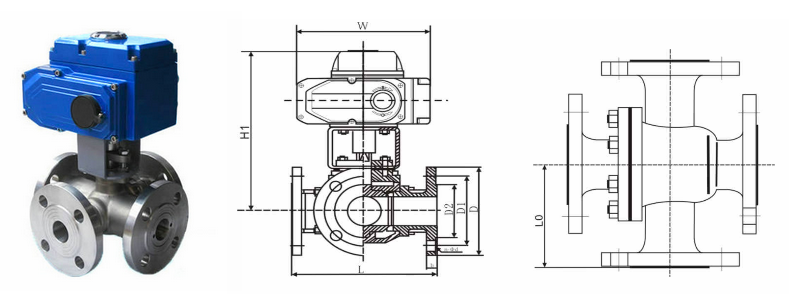
電動四通球閥

電動四通球閥圖片

電動四通球閥

  • 閥門型號:Q946F,Q946H
  • 通徑規格:DN50~DN500
  • 結構形式:四通鑄造閥體
  • 閥體材質:鑄鋼(WCB)、不銹鋼(304、316、316L)
  • 公稱壓力:PN10、PN16、PN25、PN40
  • 適用溫度:-40℃~450℃
  • 應用范圍:液體、氣體、油品、漿料及含固體顆粒介質
  • 產品特點:可同時切換兩種介質的流向,實現一閥多用

電動四通球閥概述:

電動四通球閥是“X”型流道的四通四面座球閥,旋轉90°可同時對兩種介質的流向進行切換,
即方便而迅速,實現一閥多用的效果。電動四通球閥替代了以前四個閥門的復雜操作,
解除了所占空間大、成本高、操作煩瑣等問題,可實現正反供水切換,
旋轉90度,供水方式即能切換一次,操作簡單方便。
電動四通球閥結構圖
 
電動四通球閥特點:
 
電動四通球閥球體的兩條通道為X形布置,四個通道口徑均布于球體赤道圓周截面上,
當球體沿順時針旋轉90時,能使相對的兩個通道實現兩兩互通。
在電站系統中稱為雙向供水轉閥(在石化系統中也稱空氣換向切換閥),
適用于液體、氣體、粉塵、漿料及含固體顆粒介質的循環系統,
如:電站機組冷卻器正反向循環供水系統。

電動四通球閥參數:


公稱通徑 DN15~DN200(mm)
公稱壓力 PN1.6、2.5、4.0、6.4MPa
連接形式 法蘭式
結構形式 四通鑄造閥
驅動方式 電動控*(可帶手動手輪)
使用溫度 -40℃~450℃
電源電壓 AC220V、AC380V(其他定*DC24等)
閥體材質 碳鋼WCB、不銹鋼304、316、316L
密封材料 PTFE(聚四氟乙烯)、PPL(對位聚苯)、金屬密封(硬質合金)

電動四通球閥換向原理:
四通球閥換向原理圖

“LL'’型四通球閥只需操作板手或執行器將球體轉動90°,
同時對兩種介質的流向進行切換,即方便而迅速,實現一閥多用的效果。

電動四通球閥可選功能:


  可選功能
防爆功能 防護等*:相當IP65(或IP67)、隔爆標志:ExdⅡBT4
調節功能 輸入輸出4-20mA、O- 5V.DC、0- 10V.DC
手動功能 可裝配手動裝置,開閥、關閥功能
相關溫度 環境溫度:-25~+70℃、環境濕度:≤95%

相關產品: 電動三通球閥     電動Y型三通球閥   
上一篇:電動法蘭球閥 下一篇:電動襯氟球閥