欧美日本高清视频在线dvd,八戒八戒影视免费观看,亚洲成在人网站天堂77女一,18禁无遮挡全彩自慰漫画,美白少妇客厅女上位在线播放,2021影音先锋最新资源网,HEYZO里中结衣女友达,8090电影网理论片

  • 服務熱線:021-80370923

氣動軟密封蝶閥

氣動軟密封蝶閥圖片

氣動軟密封蝶閥

  • 閥門型號:D671X,D641X,D671F46,D641F46
  • 通徑規格:DN50~DN1200
  • 結構形式:中線型(對夾式,法蘭)
  • 閥體材質:球墨鑄鐵、鑄鋼WCB、不銹鋼304、316
  • 公稱壓力:PN6、PN10、PN16
  • 適用溫度:-40℃~150℃
  • 應用范圍:水、氣體、油品、腐蝕性介質等
  • 產品特點:密封性能好,耐老化、耐腐蝕,使用壽命長
氣動軟密封蝶閥概述:
 
氣動軟密封蝶閥是一種防腐蝕性和密封性較好的中線型蝶閥,一般分為法蘭或對夾式連接,可用于含有腐蝕性介質及泄露量要求較高的常溫常壓場合。氣動軟密封蝶閥采用密封結構,密封材料有橡膠、聚四氟乙烯等,泄露量可達到零泄露。由于結構特征的限*,氣動軟密封蝶閥不適用于高溫、高壓及抗磨損等行業,只適合在常溫環境和低壓、中壓等場所做開關切斷和調節流量使用。
氣動軟密封蝶閥圖片   
氣動對夾式軟密封蝶閥                                    氣動法蘭軟密封蝶閥
氣動軟密封蝶閥參數說明:

公稱通徑 DN50~DN1200(mm)
壓力等* PN1.0、1.6、2.5MPa
連接方式 對夾或法蘭連接
閥芯形式 碟板式
驅動方式 氣源驅動,壓縮空氣5~7bar(可帶手輪)
動作范圍 0~90°
密封材質 各種橡膠、聚四氟乙烯
工作場合 各種腐蝕性介質等(常溫常壓、低溫低壓場合)
附件選項 定位器、電磁閥、空氣過濾減壓器、保位閥、行程開關、閥位傳送器、手輪機構等
控*方式 開關兩位控*,氣開、氣關式、彈簧復位、智能調節型(4~20mA模擬量信號)

氣動軟密封蝶閥優點:
 
1、結構簡潔,流阻系數小,流量特性趨于直線,不會滯留雜物。
2、蝶板與閥桿的連接采用無銷釘結構,克服了有可能的內泄漏點。
3、分為氣動對夾式軟密封蝶閥和氣動法蘭軟密封蝶閥,滿足不同管道。
4、密封件可以更換,密封性能可靠達到雙向密封零泄漏。
5、密封材料耐老化、耐腐蝕,使用壽命長。
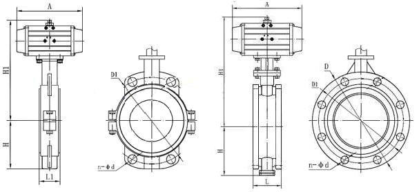
氣動軟密封蝶閥結構圖
氣動對夾式軟密封蝶閥結構           氣動法蘭軟密封蝶閥結構
氣動軟密封蝶閥密封材料:

 

材料品種
氯丁橡膠
丁腈橡膠
乙丙橡膠
聚四氟乙烯
硅橡膠
氟橡膠
代號
×或 0rJ
XA或orJA
XB或orJB
xC、JC或0rF
XD或orJD
× E或orJE
耐**溫度
82℃
93℃
150℃
232℃
250℃
204℃
耐*低溫度
-40℃
-40℃
-40℃
-268℃
-70℃
-23℃
適用工作溫度
≤65℃
≤80℃
≤120℃
≤200℃
≤200℃
≤180℃

 

氣動軟密封蝶閥和氣動硬密封蝶閥的區別:
 
1、軟密封蝶閥多為中線型,硬密封多為單偏心、雙偏心、三偏心蝶閥結構。
2、軟密封用于常溫環境。硬密封可用于低溫、常溫、高溫等環境。
3、軟密封使用于低壓-常壓,硬密封還可以使用于中高壓。
4、軟密封和三偏心硬密封蝶閥密封性能比較好,三偏心蝶閥在高壓高溫環境下可以保持良好的密封。
5軟密封蝶閥的優點是密封性能好,缺點是容易老化、磨損、使用壽命短。
6硬密封蝶閥使用壽命長,但是密封性相對比軟密封差。

相關產品: 電動軟密封蝶閥     氣動襯氟軟密封蝶閥     氣動襯膠軟密封蝶閥